地址:深圳市龍崗區環城南路5號坂田國際中心C1棟337
電話:0755-83003780
郵箱:sales@andiantech.com ;dg@andiantech.com
2022-01-07 14:48:36
時間繼電器是指當加入(或去掉)輸入的動作信號后,其輸出電路需經過規定的準確時間才產生跳躍式變化(或觸頭動作)的一種繼電器。是一種使用在較低的電壓或較小電流的電路上,用來接通或切斷較高電壓、較大電流的電路的電氣元件。
一、繼電器的分類
時間繼電器可以按照工作原理和延時方式分為好幾大類,我們著重分析常用的幾類,根據工作原理可以分為,空氣阻尼式時間繼電器、電動式時間繼電器、電磁式時間繼電器、電子式時間繼電器等。
常用的有兩種,因為價格低廉、原理清晰、控制要求不高,我們一般選擇空氣阻尼式時間繼電器、電磁式時間繼電器。

根據延時方式我們分為通電延時型、斷電延時型,工作原理和含義顧名思義。
二、工作原理

空氣阻尼是時間繼電器:主要的延時原理是利用氣囊式阻尼器,線圈得電以后,釋放或者吸合阻尼器,空氣通過微小孔緩慢進入,到達時間以后,實現接通斷開作用;
電磁式時間繼電器:主要原理是接通或者斷電以后,磁通緩慢衰減的原理讓銜鐵釋放讓線路得到延時的作用。
三、各個引腳的含義
我們以這款通電延時型時間繼電器為例:

1-2腳為電源線圈,這兩個腳是需要連接電壓的,根據自己選用的電壓值正確連接,常用的為220V,24V,
1-3腳為通電延時閉合觸點,接通電源,給了信號之后線圈得電,等到設置時間到達以后,觸點閉合;
1-4腳為通電延時斷開觸點,接通電源,給了信號之后線圈得電,等到設置時間到達以后,觸點斷開;
5-8腳為通電延時閉合觸點,接通電源,給了信號之后線圈得電,等到設置時間到達以后,觸點閉合;
6-8腳為通電延時斷開觸點,接通電源,給了信號之后線圈得電,等到設置時間到達以后,觸點斷開;
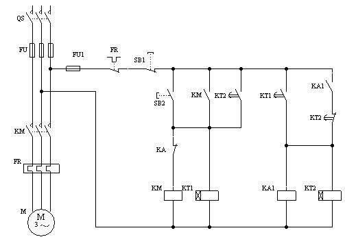
四、接線方法以及控制原理
各個引腳的含義我們已經搞清楚了,下面就可以根據控制原因進行接線,我們以下圖為例,在電路中加入KT通電延時時間繼電器,當按下啟動按鈕SB2線圈KT1、KM1得電交流接觸器KM1吸合,電動機M1轉動,延時閉合開關KT1到達時間吸合,KM2、KT2得電,交流接觸器KM2得電吸合,電動機M2轉動,延時斷開開關KT2在到達時間以后斷開,整個控制回路斷開,所有電機停止轉動;

這就是時間繼電器在一條控制電路中起到的延時斷開、延時閉合的作用。
下面分享幾個經典時間繼電器控制電路原理圖:

星三角降壓啟動

延時啟動、關閉控制